鹽城市電子設備廠有限公司
0515-885516170515-88550145
電 話:0515-88551617
0515-88550145
傳 真:0515-88290081
E-mail:ycefull@163.com
地 址:江蘇省鹽城市亭湖區(qū)太湖路17號
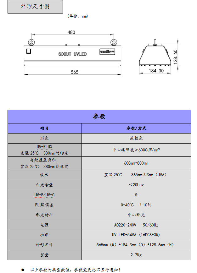
S6080-6K型懸掛式UV Light
友情鏈接/ LINK:
電 話:0515-88551617 0515-88550145
0515-88551617